

一、需求分析
电厂是一个自动化程度很高的特殊生产企业,自动化的生产设备依赖于供电系统的安全、稳定运行。在现代化的发电厂中,发电机组的DCS控制系统,包括各种热工自动装置,如自动调节用组装仪表、汽轮机电液数字调节装置、锅炉联锁及安全监察系统FSSS、汽机监视仪表(TSI)、协调控制系统(CCS)、润滑油泵系统,氢密封油电系统,主要的热工动力,以及事故照明电源系统等,都需要有一个可靠的电源,该电源要求无论在机组本身厂用电中断还是电网故障时,都不应中断供电,这就要求供电系统不但有可以使机组安全停机的事故保安电源,而且要求有一个为控制、监视装置及事故后状态参数记录装置提供高供电品质且不间断供电的交流不停电电源。
电厂有一套可靠性极高的直流操作电源,因此需要配置一套既有高可靠性保证又能与之协同工作的逆变系统,通过合理设计以保障提供高品质的交流电源。
二、基本配置方案:
电力UPS是一款专门为电力部门设计理想的在线式正弦波工业级交流不间断电源,运用高频载波技术及IGBT功率器件,控制UPS各种运行参数,为电厂提供优质、可靠的交流电源。
电力UPS采用目前先进的相位平衡技术,稳定性能好,即使在缺相的情况下仍能正常工作。
电力UPS电源采用全桥逆变构架并且内置隔离变压器,具有强的抗冲击能力,适应电厂内部恶劣的电网环境。
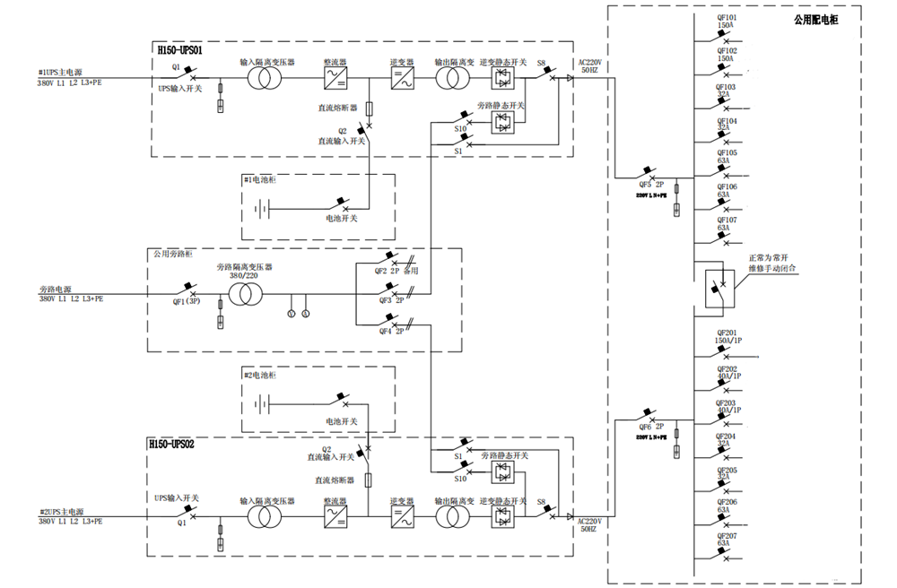
三、双机冗余系统运行配置方案图:
四、单机系统运行配置方案图:

上一篇:UPS不间断电源电力系统解决方案
下一篇:/3g/show.asp?m=114&d=48